Tuairisc
CCT-6000C umar sorcóireach-cónúil Classic 6000 / 7135 L (inslithe, fuaraithe le leacht)

Umar choipeadh cónúil sorcóireach (CCT, CCF, coiptheoir sorcóireach) le toirt umar inúsáidte 6000 lítear agus toirt iomlán 7135 lítear, le haghaidh coipeadh agus aibithe beorach, leann úll, fíon agus deochanna eile, i roinnt éagsúlachtaí, déanta as cruach dhosmálta bia DIN 1.4301 (AISI 304). Déantar an soitheach a mhonarú ina bhfuil toisí agus trealamh caighdeánach, nó de réir riachtanais chustaiméirí aonair. Tá an umar ar fáil de ghnáth i leaganacha éagsúla (toisí roghnacha, aicme cáilíochta, brú uasta). Dearadh clasaiceach, insliú PUR, seaicéad cruach dhosmálta dúbailte, dúblálaithe fuaraithe uisce (nó glycol). Déantar na humair atá deartha le haghaidh brú uasta níos airde ná 0.5 barra a mhonarú i gcomhréir le Caighdeáin Eorpacha EN 13445 agus PED 2014/68/AE (Treoir Brú-Trealamh).
Níl an deimhniú PED (agus na doiciméid go léir a bhaineann leis an trealamh brú de réir chaighdeán PED 2014/68/AE) san áireamh i bpraghas an umair agus chun an umar a úsáid i dtíortha Eorpacha is gá an mhír a chur leis “Teastas PED 2014 / 68 / AE” . Déantar na codanna go léir san Aontas Eorpach.

Trealamh an umar Cylindrical-cónúil Classic 6000 / 7135 lítear
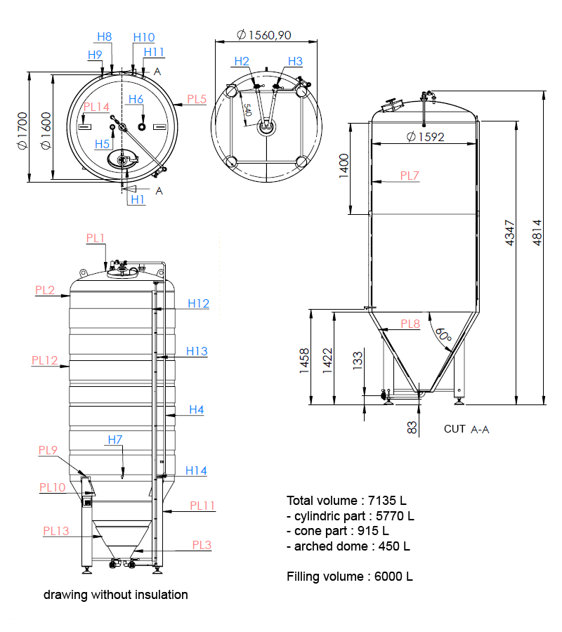
Líníocht an tionóil den umar cylindroconical CCT-6000C (samhail 2015 / SQ / gnéithe caighdeánach):


CCT-6000C: Paraiméadair theicniúla
Paraiméadair theicniúla an CCT-6000C: An feoil-mhuinín cón uilíoch, an umar brú sorcóireach le haghaidh coipthe agus aibithe beorach nó leann úll, toirt inúsáidte 6000 lítear, le insliú PUR, fuaraithe ag uisce / glycol.Umar sorcóireach-cónúil cónúil CCT-6000C / coiptheoir clasaiceach | SQ / 0.5 bar | SQ / 1.5 bar | SQ / 3.0 bar | HQ / 0.5 bar | HQ / 1.5 bar | HQ / 3.0 bar |
|---|---|---|---|---|---|---|
Paraiméadair (gnéithe caighdeánach) | SQ / 0.5 bar | SQ / 1.5 bar | SQ / 3.0 bar | HQ / 0.5 bar | HQ / 1.5 bar | HQ / 3.0 bar |
| Vu toirt inúsáidte [lítear] | 6000 | 6000 | 6000 | 6000 | 6000 | 6000 |
| Vt Toirte iomlán [lítear] | 7135 | 7135 | 7135 | 7135 | 7135 | 7135 |
| V1 Bun dúiche Uachtarach - toirt [lítear] | 450 | 450 | 450 | 450 | 450 | 450 |
| V2 Cuid sorcóireach - toirt [lítear] | 5770 | 5770 | 5770 | 5770 | 5770 | 5770 |
| Cuid V3 Cónúil - toirt [lítear] | 915 | 915 | 915 | 915 | 915 | 915 |
| D trastomhas umar iomlán [mm] | 1700 | 1700 | 1700 | 1700 | 1700 | 1700 |
| Dv trastomhas umar inmheánach [mm] | 1600 | 1600 | 1600 | 1600 | 1600 | 1600 |
| H airde iomlán [mm] | 4814 | 4818 | 4814 | 4814 | 4814 | 4814 |
| H1 Bun tairseach Uachtarach - airde [mm] | 322 | 322 | 322 | 322 | 322 | 322 |
| H2 Cuid airde sorcóireach [mm] | 2900 | 2900 | 2900 | 2900 | 2900 | 2900 |
| Cuid HNUMX Cónúil - airde [mm] | 1386 | 1386 | 1386 | 1386 | 1386 | 1386 |
| Mn Meáchan netto [kg] | 1200 | 1200 | 1200 | 1320 | 1320 | 1320 |
| Mb Brú Meáchan [kg] | 6200 | 6200 | 6200 | 6320 | 6320 | 6320 |
Caighdeán trealamh | SQ / 0.5 bar | SQ / 1.5 bar | SQ / 3.0 bar | HQ / 0.5 bar | HQ / 1.5 bar | HQ / 3.0 bar |
| Raon brú (ceadaithe ag PED) | 0.0 - 0.5 bar | 0.0 - 1.5 bar | 0.0 - 3.0 bar | 0.0 - 0.5 bar | 0.0 - 1.5 bar | 0.0 - 3.0 bar |
| Raon brú a thástáil (i dtáirgeadh) | 0.0 - 0.7 bar | 0.0 - 2.1 bar | 0.0 - 4.2 bar | 0.0 - 0.7 bar | 0.0 - 2.1 bar | 0.0 - 4.2 bar |
| PED 2014/68/EU deimhniú | uimh | yes | yes | uimh | yes | yes |
| ábhar | AISI 304 | AISI 304 | AISI 304 | AISI 304 | AISI 304 | AISI 304 |
| Dromchla istigh - cuid sorcóireach | Meilt 2B / Ra≤0.8µm | Meilt 2B / Ra≤0.8µm | Meilt 2B / Ra≤0.8µm | 2C / Ra≤0.5µm snasta | 2C / Ra≤0.5µm snasta | 2C / Ra≤0.5µm snasta |
| Dromchla istigh - cuid cónúil | 2C / Ra≤0.5µm snasta | 2C / Ra≤0.5µm snasta | 2C / Ra≤0.5µm snasta | 2C / Ra≤0.5µm snasta | 2C / Ra≤0.5µm snasta | 2C / Ra≤0.5µm snasta |
| Dromchla lasmuigh | 2B grinded | 2B grinded | 2B grinded | 2B grinded | 2B grinded | 2B grinded |
| Bileoga seachtracha - joints | Rabhadh / táthaithe | Rabhadh / táthaithe | Rabhadh / táthaithe | Gach táthaithe | Gach táthaithe | Gach táthaithe |
| Buaic uillinn an chón | 60 ° | 60 ° | 60 ° | 60 ° | 60 ° | 60 ° |
| Insliú PUR | 50 mm | 50 mm | 50 mm | 50 mm | 50 mm | 50 mm |
| CT / CJ1 Seaicéad fuaraithe ar an sorcóir: ionchur / aschur G-snáithe | Crios 1> Dromchla 60 IN-AMACH G1 / 2 ″ -G3 / 4 " | Crios 1> Dromchla 60 IN-AMACH G1 / 2 ″ -G3 / 4 " | Crios 1> Dromchla 60 IN-AMACH G1 / 2 ″ -G3 / 4 " | Crios 1> Dromchla 60 IN-AMACH G1 / 2 ″ -G3 / 4 " | Crios 1> Dromchla 60 IN-AMACH G1 / 2 ″ -G3 / 4 " | Crios 1> Dromchla 60 IN-AMACH G1 / 2 ″ -G3 / 4 " |
| CT / CJ1 Seaicéad fuaraithe ar an gcón: ionchur / aschur G-snáithe | Crios 1> Dromchla 50 IN-AMACH G1 / 2 ″ -G3 / 4 " | Crios 1> Dromchla 50 IN-AMACH G1 / 2 ″ -G3 / 4 " | Crios 1> Dromchla 50 IN-AMACH G1 / 2 ″ -G3 / 4 " | Crios 1> Dromchla 50 IN-AMACH G1 / 2 ″ -G3 / 4 " | Crios 1> Dromchla 50 IN-AMACH G1 / 2 ″ -G3 / 4 " | Crios 1> Dromchla 50 IN-AMACH G1 / 2 ″ -G3 / 4 " |
| Sciatháin Iompair | N / A | N / A | N / A | N / A | N / A | N / A |
| Tollpholl le doras / ag an mbarr | 420x340mm / ag oscailt isteach | PED 420x340mm / ag oscailt isteach | PED 420x340mm / ag oscailt isteach | 412x315mm / ag oscailt amach | PED 412x315mm / ag oscailt amach | PED 412x315mm / ag oscailt amach |
| Tollpholl le doras / ag an taobh | roghnach / 440x310mm / oscailt isteach | roghnach / PED 440x310mm / oscailt isteach | roghnach / PED 440x310mm / oscailt isteach | roghnach / 440x310mm / oscailt isteach | roghnach / PED 440x310mm / oscailt isteach | roghnach / PED 440x310mm / oscailt isteach |
| Comhbhrú sábhála / coimeád sábháilteachta | Max 0.5 / 0.2 bar | Max 3.2 / 0.2 bar | Max 3.2 / 0.2 bar | Max 0.5 / 0.2 bar | Max 3.2 / 0.2 bar | Max 3.2 / 0.2 bar |
| Aschur pure-dí armature | DN40 DC / TC | DN40 DC / TC | DN40 DC / TC | DN40 DC / TC | DN40 DC / TC | DN40 DC / TC |
| Umar a líonadh / fholmhú armature | DN40 DC / TC | DN40 DC / TC | DN40 DC / TC | DN40 DC / TC | DN40 DC / TC | DN40 DC / TC |
| comhla Samplála | DN10 sanit | DN10 sanit | DN10 sanit | DN10 sanit | DN10 sanit | DN10 sanit |
| Feistis nasc CIP agus manometer | DN25DC / TC | DN25DC / TC | DN25DC / TC | DN25DC / TC | DN25DC / TC | DN25DC / TC |
| Comhla fiontair | yes | yes | yes | yes | yes | yes |
| Sanitizing ball-shower | statach | statach | statach | Rothlach | Rothlach | Rothlach |
| Gaireas coipeadh leis an gcomhla coigeartaithe brú agus glas an aeir, sanitizable | DN32 DC / TC | DN32 DC / TC | DN32 DC / TC | DN32 DC / TC | DN32 DC / TC | DN32 DC / TC |
| Manometer le glycerine | yes | yes | yes | yes | yes | yes |
| Táscaire leibhéal a líonadh | yes | yes | yes | yes | yes | yes |
| Soicéad thermosensor | 1 ríomhaire DN9 | 1 ríomhaire DN9 | 1 ríomhaire DN9 | 1 ríomhaire DN9 | 1 ríomhaire DN9 | 1 ríomhaire DN9 |
| Insí dréimire | ríomhairí pearsanta 2 | ríomhairí pearsanta 2 | ríomhairí pearsanta 2 | ríomhairí pearsanta 2 | ríomhairí pearsanta 2 | ríomhairí pearsanta 2 |
| Cosa inchoigeartaithe le rubar | ríomhairí pearsanta 4 | ríomhairí pearsanta 4 | ríomhairí pearsanta 4 | ríomhairí pearsanta 4 | ríomhairí pearsanta 4 | ríomhairí pearsanta 4 |
| Cineál lipéad le paraiméadair an umair | yes | yes | yes | yes | yes | yes |
| Teocht oibriúcháin íosta | -15 ° C | -15 ° C | -15 ° C | -15 ° C | -15 ° C | -15 ° C |
| Uasteocht oibriúcháin | + 80 ° C | + 80 ° C | + 80 ° C | + 80 ° C | + 80 ° C | + 80 ° C |
| Líon rothaithe brúthaithe ráthaithe (le haghaidh brú an mhéadaithe) | 500 | 500 | 500 | 500 | 500 | 500 |
| Barántas caighdeánach | blianta 2 | blianta 2 | blianta 2 | blianta 3 | blianta 3 | blianta 3 |
Trealamh roghnach - maoirseachta | SQ / 0.5 bar | SQ / 1.5 bar | SQ / 3.0 bar | HQ / 0.5 bar | HQ / 1.5 bar | HQ / 3.0 bar |
| Tollpholl le doras / ag an mbarr / ag oscailt isteach | i bpraghas | i bpraghas | i bpraghas | € 569 | € 569 | € 569 |
| Tollpholl le doras / ag an mbarr / ag oscailt amach | € 623 | € 623 | € 623 | i bpraghas | i bpraghas | i bpraghas |
| Tollpholl le doras / ag an mbarr / leis an ngloine radharc / ag oscailt amach | € 1326 | € 1326 | € 1326 | € 1326 | € 1326 | € 1326 |
| Tollpholl le doras / ag an taobh / ag oscailt isteach | i bpraghas | i bpraghas | i bpraghas | i bpraghas | i bpraghas | i bpraghas |
| Ceanglóir uilíoch taobh le haghaidh hops extractor, inúsáidte freisin le haghaidh carbónú, scagachán, snámhachta srl. | € 124 | € 124 | € 124 | € 124 | € 124 | € 124 |
| Armature speisialta uachtarach don hops extractor, | € 247 | € 247 | € 247 | € 247 | € 247 | € 247 |
| Carbónú cloiche | € 462 | € 462 | € 462 | € 462 | € 462 | € 462 |
| Cithfholcadh snámha - rothlach | € 119 | € 119 | € 119 | i bpraghas | i bpraghas | i bpraghas |
| Glúine aschur aschurtha dí-inchoigeartaithe gan an ghloine radhairc | N / A | N / A | N / A | N / A | N / A | N / A |
| Gloine radharc ar an armature aschuir dí íon inchoigeartaithe | N / A | N / A | N / A | N / A | N / A | N / A |
| Scála ar an gcomhla coigeartaithe brú (barra) | € 49 | € 49 | € 49 | € 49 | € 49 | € 49 |
| Scála ar an táscaire leibhéal líonta (mm) | € 247 | € 247 | € 247 | € 247 | € 247 | € 247 |
| Córas tomhais agus rialaithe teochta | Féach pricelist | Féach pricelist | Féach pricelist | Féach pricelist | Féach pricelist | Féach pricelist |
| Cúititheoir cúir don chomhla samplála | € 110 | € 110 | € 110 | € 110 | € 110 | € 110 |
| Dréimire | € 413 | € 413 | € 413 | € 413 | € 413 | € 413 |
| Stirrer + trealamh leictreach (an dlús uasta 1200kg / m3) | € 8964 | € 8964 | € 8964 | € 8964 | € 8964 | € 8964 |
| Rialáil luais don corraitheoir (tiontaire minicíochta) | € 996 | € 996 | € 996 | € 996 | € 996 | € 996 |
| Séala seafta stirrer 3bar | € 807 | € 807 | € 807 | € 807 | ||
| Toisí neamhchaighdeánacha an umair | 10% agus níos mó | 10% agus níos mó | 10% agus níos mó | 10% agus níos mó | 10% agus níos mó | 10% agus níos mó |
| Trealamh saincheaptha umar gan PED (obair ar líníochtaí) | € 237 | € 237 | € 237 | € 237 | € 237 | € 237 |
| Trealamh saincheaptha umar PED (obair ar líníochtaí) | € 237 | € 237 | € 237 | € 237 | € 237 | € 237 |
| Pailléid iompair (an Eoraip) | € 68 | € 68 | € 68 | € 68 | € 68 | € 68 |
| Pailléid iompair (Thar farraige) | € 268 | € 268 | € 268 | € 268 | € 268 | € 268 |
Finscéal:
N / A = Níl sé ar fáil
DC = Cúpláil Déiríochta DIN 11851, TC = TriClamp DIN 32676 (braitheann cineál an chúplála ar riachtanas custaiméara)
PED = Deimhniú le haghaidh soithí brú a theastaíonn i ngach tír san AE - an Treoir an AE PED 2014 / 68 / Trealamh Brú an AE
Coinníonn an monaróir an ceart na paraiméadair a athrú de réir infhaighteacht na n-ábhar agus na feistis atá ann faoi láthair. Gheobhaidh custaiméir ár líníocht táirgthe i gcónaí le ceadú sula ndéantar an umar ordaithe a mhonarú.
Trealamh caighdeánach - tuairisc
- Comhla brú inchoigeartaithe do choipeadh rialaithe - Meicníocht socraithe róbhrú le manaiméadar glicéirín (raon caighdeánach brú inchoigeartaithe laistigh den umar: ó 0 bar suas go 3 bar ) - ceadaíonn sé dhá phróiseas san umar céanna: coipeadh bunscoile + coipeadh tánaisteach (aibiú)
- Bealaí fuaraithe - dúbailtí maidir le cuisniú a scaipeadh sa seaicéad fuaraithe (ceann amháin, dhá cheann nó níos mó de réir chineál an umair)
- Insliú PUR - insliú polúireatán le tiús de réir mhéid an umar agus an spriocdhimpeallacht (caighdeán = 50mm)
- Jacket seachtrach umar cruach dhosmálta - An cineál dromchla ag críochnú (caighdeánach = grinded) choosed ag an gcustaiméir.
- Garbhús dromchla inmheánach ráthaithe : Ra <0.8 μm nó níos lú (dromchlaí meilte) / Ra <0.5 μm nó níos lú (dromchlaí snasta)
- Doras seirbhíse (dúnpholl) Ar an gcón barr nó ar an chuid sorcóra, de réir riachtanais an chustaiméara (SQ = taobh istigh / Ceanncheathrú oscailte = taobh amuigh oscailte)
- Aschur pure-dí armature Le comhla féileacán le haghaidh aschur deoch íon (beoir, fíon, leann) - an lámh raca (go roghnach le airde athraitheach de shúchán)
- Líonadh / folamh armature bun - An píopa ionraoin / asraon le comhla féileacán le haghaidh umar líonta, ag scaoileadh giosta agus ag sileadh ábhar iomlán an umair
- Sanitizing ball-shower - CIP snáithín sláintiúil (SQ = statical / HQ = rotational) - ceann amháin nó níos mó ríomhairí pearsanta
- Píopa sláintíochta - - Píopa ilfheidhmeach le comhla liathróid chun ceann cith a cheangal leis an stáisiún CIP glantacháin, an comhla brú inchoigeartaithe le manaiméadar, inlet CO2
- Comhla samplach - coileach samplála inghlactha agus sláintíochta le haghaidh samplaí táirge bailithe
- Comhla sábháilteachta - ró-urlár gníomhú dúbailte (caighdeán = barra 3.2) agus comhla sábháilteachta cosanta vaccum (barra 0.2) - leagan brú amháin den umar
- Comhla fiontair - Comhla tiomána tiomána le haghaidh draenáil sábháilteachta an umair agus chun an brú reatha san umar a thomhas go cruinn ag baint úsáide as manóiméadar (cinnteoidh sé go gceartófaí an lámhiméadar nuair a bhíonn an cithfholcadh cith le bac)
- Soicéad teirmiméadar - soicéad táthaithe chun teirmiméadar nó teirmiméadar a chur isteach (ceann amháin nó níos mó de réir chineál an umair)
- Manometer - Tá sé san áireamh i sraith na comhla brú inchoigeartaithe. Déanta as cruach dhosmálta, le glycerine taobh istigh.
- Táscaire leibhéal a líonadh - Gléasra gloine nó píopa plaisteach chun leibhéal airde léirshamhlaithe den táirge dí san umar (SQ = seasta / Ceanncheathrú = inbhainte)
- Sciatháin Iompair - cuimíní táthaithe cruach le haghaidh iompar sábháilteachta an umair le crann nó forklift
- Cosa inchoigeartaithe - 3 nó Ceithre chosa le cosa rubair chun coigeartú cothrománach cruinn an umar ar urlár míchothrom
- Lipéad cineál - an lipéad cruach leis na paraiméadair uile a theastaíonn ón Aontas Eorpach le haghaidh soithí brú
- PED 2014/68/EU - deimhniú - an deimhniú Eorpach maidir leis an soitheach imréitigh + doiciméad le haghaidh stair cartlainne an soitheach brú
Trealamh roghnach - tuairisc
- Píopa asraon athraitheach le haghaidh dí íon (Lámh raca inchoigeartaithe) - ina ionad sin píopaí soiléire an táirge a shocrú - píopa inrianaithe le comhla féileacán agus gloine radhairc chun ard-choigeartú a dhéanamh ar ard an iontógáil súchán de réir leibhéal reatha giosta san umar
- Doirse speisialta - dúnphoill - dúnpholl an láithreáin meánscoile, dúnphóil le radharclann, dúnpholl le doras gloine
- Gluaisíní speisialta liathróid a ghlanadh - rothlach, buille nó trealamh glantacháin speisialta eile le haghaidh glanadh an umar go héifeachtach
- Taobh arm nó uachtair uilíoch uachtarach - Uirlisí ilúsáide uilechoiteann le haghaidh nasc an trealaimh flóchta, cloch carbónúcháin nó an t-eastóscán hop dry hopping.
- Scála don táscaire leibhéal líonta - scála lítear ar chlúdach an táscaire leibhéal líonta le haghaidh léirshamhlú ar an toirt táirge reatha san umar
- Scála don chomhla brú inchoigeartaithe - scála barra ar scriú comhla brú inchoigeartaithe chun brú a theastaíonn ach amháin san umar a léiriú (léiríonn manometer an brú atá ann faoi láthair)
- Comhpháirteanna tomhais teocht agus rialacháin - seachadfaimid roinnt cineálacha teirmeoirí teirmiméadair agus córais rialaithe teochta atá feistithe go hiomlán dár n-umair
- Teirmiméadar, teirmeachóip, teirmeacháin - níos mó cineálacha le haghaidh suiteáil go díreach ar an umar nó ar bhalla
- Comhlaí rialála teirmeach uathoibríoch Le haghaidh rialaithe sreabhadh an chuisnithe sna bealaí fuaraithe
- Rialuithe teo-umair - tomhas agus rialú teocht ar rialtóir teocht tiomnaithe a chuirtear go díreach ar gach umar
- Bosca rialaithe ar an mballa - tomhas agus rialú teocht i n-umair níos mó ó bhosca rialaithe amháin
- Córas tomhais agus rialaithe teocht umar uathoibríoch - le haghaidh rialú uathoibríoch ar phróisis choipeadh agus aibithe iomlán
- Carbónú cloiche - an cloch ghráinseach speisialta le haghaidh carbónú deochanna ó bhuidéil CO2
- Dréimire - chun oibriú go héasca le dúnpháirse agus gabhálais uachtaracha eile umair
- Mol líonadh táirge umar - uirlis speisialta chun táirgeadh a líonadh go héasca (cosúil le wort beoir, leann leann) chun an umar coipeadh
- Trealamh sreabhadh - chun ábhar an umar a chothú, tá sé suite ar thaobh an bhlaosc umar
- Customizations eile an umar - de réir riachtanais an chustaiméara - toisí neamhchaighdeanacha, armadóireacht speisialta, dromchla speisialta agus dearadh an umar etc.

Saincheaptha
I. Éagsúlacht thomhas na lítear 6000 CCT:
Is féidir linn tancanna coipthe CCT a tháirgeadh le lítear 6000 toirte i sé athruithe séthoiseach, de réir cóimheas idir airde agus trastomhas an umar. Is buntáiste do chustaiméirí é, toisc go mbíonn gá le hábhair saincheaptha umar mar gheall ar dhiúscairtí spáis teoranta mar gheall ar an bhfoirgneamh.

Sa eshop seo ní dhéanaimid tuairisc ach ar an éagsúlacht mhéid caighdeánach is mó atá ar fáil de na lítear 6000 CCT. Más mian leat athrú eile, cuir d'iarratas chugainn agus cuirfimid luaigh tú aonair don umar.
Athruithe ar an 6000 CCT de réir an teorann ró-íoctha:
Ina theannta sin, is féidir leis an gcustaiméir a roghnú idir na soithí brú agus neamh-bhrú. De réir an uasbhríosta inláimhsithe san árthach, déanaimid umair choipeála CCT i dhá dhearadh:
- Umar um choipeadh neamhbhrú CCT-6000 - Is é an t-ualach is mó atá ar fáil 0.5 bar - tá sé deartha mar 3.0 bar Umar, a thástáil le haghaidh brú suas go dtí 4.0 bar, Ach ní dhearbhaítear é mar umar brú de réir Threoir an AE PED. Oiriúnach do choipeadh neamhbhrú ar bheoir nó ar an tsraith, nó freisin mar soitheach brú i roinnt tíortha as an Aontas Eorpach.
- Umar um choipeadh ró-bhrú CCT-6000 - Is é an t-ualach is mó atá ar fáil 3.0 bar (De rogha, de réir riachtanais shonracha an chustaiméara suas go dtí) 5.0 bar), An deimhniú le haghaidh soithí brú de réir Threoir an AE PED. Is féidir an t-árthach a úsáid, ní hamháin le haghaidh coipeadh agus aibiú beoir, ach freisin mar umar brú le haghaidh líonadh deochanna isobariceach i gceagáin nó i mbuidéil, le haghaidh scagacháin agus le freastal beorach nó leannán i gloiní.
Athruithe ar an 6000 CCT de réir a gcáilíochta agus a dtrealamh:
De réir na gceanglas cáilíochta agus na féidearthachtaí airgeadais a bhaineann le custaiméirí, aithnímid na tancanna coipeadh le ceithre aicme cáilíochta agus trealamh:
- Cáilíocht TQ-BARR - An caighdeán is airde a chuirimid ar fáil. Tá garbh ráthaithe ag an dromchla istigh Ra <0.5 m - dearadh snasta. Tá an dromchla seachtrach lán-snasta. Déantar gach armáid agus feistis feidhmiúil a mbíonn tionchar acu ar iontaofacht agus ar shábháilteacht na dtáirgí san Eoraip nó sna Stáit Aontaithe. An scaradh is fearr den giosta a úsáidtear as an beoir nó an leann úll, go háirithe ag coipeadh aon-chéim de bheoir nó leann úll nuair a chuirtear an próiseas coipeála agus aibithe araon san umar céanna. Trealamh só na n-umair. Is é an buntáiste is mó ná dearadh an-só ar an umar. Na blianta seo bharántas do phríomhchodanna cruach dhosmálta agus freisin ar na feistis. Ríomhfar praghas ina n-aonar le haghaidh gach umar.
- Ceanncheathrú - Ardchaighdeán - Ceardaíocht ardchaighdeáin ar gach cuid, siúntaí táthaithe agus dromchlaí. Tá garbh ráthaithe ag an dromchla istigh Ra <0.5 m - dearadh snasta. Tá an dromchla seachtrach grinded-aontaithe. Déantar gach armáid agus feistis feidhmiúil a mbíonn tionchar acu ar iontaofacht agus ar shábháilteacht na dtáirgí san Eoraip nó sna Stáit Aontaithe. Scaradh foirfe ar an giosta a úsáidtear as an beoir nó an leann, go háirithe ag coipeadh aon-chéim de bheoir nó leannán nuair a chuirtear an próiseas coipeála agus aibithe araon san umar céanna. Trealamh só na n-umair. Is iad na príomhbhuntáistí ná coigilteas réitigh, uisce agus fuinneamh a shlánú, caillteanais deochanna a íoslaghdú, am oibre níos giorra, laghdú ar chostais táirgthe. Barántas trí bliana do phríomhchodanna cruach dhosmálta agus freisin ar na feistis. An rang cáilíochta do na custaiméirí is déine.
- SQ - Cáilíocht CAIGHDEÁN - Ceardaíocht chaighdeánach chaighdeánach ar gach cuid, siúntaí táthaithe agus dromchlaí. Ceannaítear gach armature feidhmiúil agus feistis a mbíonn tionchar acu ar iontaofacht agus sábháilteacht na dtáirgí ó sholáthraithe ceadaithe ón Eoraip nó ó SAM. Cigireacht ar na táthaithe criticiúla agus na hailt go léir. Tá garbh ráthaithe ag an dromchla istigh Ra <0.8 m - tá dearadh meilte, dromchla istigh an chuid cón snasta le garbh ráthaithe Ra <0.5 m . Gnáth-threalamh roimh na soithí, gnáthshuite feistis. Comhlíonann tancanna sa rang ardchaighdeáin seo na rialacháin Eorpacha go léir maidir le hárthaí brú agus gléasraí próiseála bia. Dhá bhliain bharántas do phríomhchodanna cruach dhosmálta, dhá bhliain do na feistis. Is é an t-athrú cáilíochta is minice a ordaítear ar ár gcuid custaiméirí.
- LQ - LOWER Quality - Ceardaíocht ar chaighdeán níos ísle de gach cuid, hailt táthaithe agus dromchlaí. Is gnách go gceannaítear an chuid is mó de armatures feidhmiúla agus feistis ó sholáthraithe ón Áise. Níl an dromchla istigh agus seachtrach aontaithe. Ní ráthaítear cáilíocht agus aonchineálacht an dromchla ar an taobh istigh de na coimeádáin. Barántas bliana do phríomhchodanna cruach dhosmálta, bliain amháin do na feistis. Níl an réiteach seo suimiúil ach do ghrúdlanna beaga nuathionscanta toisc go sábhálann sé costais infheistíochta. Ar ámharaí an tsaoil, cruthaíonn sé seo costais táirgeachta dí i bhfad níos airde. Tréimhse sláintíochta níos faide, tomhaltas mór den tuaslagán sláintíochta, fuinneamh, saothair agus uisce. Caillteanais arda deochanna táirgeachta. Ní thairgeann muid an aicme cháilíochta seo dár gcuid táirgí, toisc nach gcomhlíonann an trealamh leis an aicme cáilíochta LQ na rialacháin Eorpacha maidir le soithí brú agus gléasraí próiseála bia. Is é cáilíocht umair a lán táirgeoirí domhanda an-saor de na tancanna, a dhéantar den Áise den chuid is mó.
Ár tip: Comhla draein táirge íon inchoigeartaithe do CCT - an trealamh speisialta chun cailliúint an táirge a chosc
Molaimid ár gcóras comhla draein táirge íon inchoigeartaithe nua a úsáid chun giosta a scaradh ón táirge (beoir, leann úll, fíon…) gan iarmhair an táirge a chailleadh. Ligeann an córas seo socrú beacht airde an poll súchán píopa asraon díreach os cionn leibhéal iarbhír an ghiosta san umar.
Gan caillteanas a táirge níos mó - gan aon iarmhar unusable sna umair.

>> Tuilleadh faoi an comhla draenála táirge íon inchoigeartaithe do CCT
Ár dearbhú cáilíochta: Cén fáth an t-umar sorcóireach-cónúil a cheannach 6000 lítear díreach ó dúinn?
Déanaimid, á ndéanamh, a thiomsú, a thionól agus a thástáil ar gach soitheach (gan árthaí neamhbhrú a áireamh) de réir na gcaighdeán agus na dtreoirlínte docht na hEorpa maidir le soithí brú (Treoir an AE PED 2014 / 68 / Trealamh Brú an AE). Ie:
- Tá comhla sábhála róbhrú / sábhála sábháilteachta neamhspleách i ngach soitheach brú (a choisceann i gcoinne ró-bhrú an-chontúirteach agus an vacsaín ag titim)
- Tá gach soitheach brú deartha ag dearthóir deimhnithe atá cáilithe chun árthaí brú a dhearadh agus a ríomh.
- Doiciméid táirgthe le haghaidh gach soitheach brú ina bhfuil ríomh neart láidir, an cur síos cruinn ar phróiseas déantúsaíochta ceart, lena n-áirítear na cineálacha riachtanacha feadáin, tiús ábhar, réitigh pointí criticiúla.
- Déantar tástáil dhian a dhéanamh ar na soithí brú monaraithe go léir ar dhóthain agus ar ghruaigí na slat, ag baint úsáide as leacht speisialta a bhraitheann fiú na sceitheanna, na buaillí nó na micrea-scoilteanna is lú nach dteastaíonn = An Tástáil Peata
- Déantar na soithí brú a thástáil ag róbhrú a bhfuil barra 1 ar a laghad níos airde ná an róbhrú, ar a bhfuil coimeádáin deimhnithe.
- Eisítear an Prótacal maidir leis na tástálacha brú agus brú agus dearbhú comhréireachta an AE ar gach soitheach brú. Cuirimid an Doiciméad maidir le stair um umair brú, ag iarraidh an chustaiméara.
- Déanann cigire TÜV nó cuideachta údaraithe agus deimhnithe eile maoirseacht ar phróisis déantúsaíochta, líníochtaí dearaidh, déantúsaíochta, déine agus tástálacha brú, ag comhlíonadh rialú cáilíochta agus comhlíonadh fíoraithe le caighdeáin Eorpacha.
- Tá lipéad doscriosta ar gach soitheach brú a bhfuil ainm éigeantach an déantóra air, an brú deiridh nó sonraí eile a shainaithníonn uathúil an soitheach brú coincréite i gcomhréir le PED 2014 / 68 / AE an AE
- Roghnach is féidir linn an trealamh brú a tháirgeadh de réir choinníollacha agus caighdeáin GOST-R nó GUM Rialacha deimhniúcháin. Sa chás seo, gearrann muid formhuirear breise don deimhniú speisialta:
- Deimhniú PED (An tAontas Eorpach) ... san áireamh sa phraghas
- Deimhniú GUM (An Pholainn) ... formhuirear 10% - Cinnteoimid gach trealamh teicniúil riachtanach san umar (comhlíontach le GUM), íocann agus láimhseálann custaiméir an próiseas deimhniúcháin don umar ar an láithreán.
- Deimhniú GOST-R (An Rúis) ... formhuirear 10%
- Tógann muid coimeádáin bia go bunúsach ó chruach dhosmálta atá cairdiúil don bhia a chomhlíonann go hiomlán leis an Rialachán ó Pharlaimint na hEorpa agus ón gComhairle Rialachán Uimh. 1935 / 2004. Ní scaoileann na hábhair seo a gcuid comhábhar le bia i gcainníochtaí a d'fhéadfadh sláinte an duine a chur i mbaol nó athruithe neamh-inghlactha a dhéanamh ar chomhdhéanamh an bhia nó meath ar a saintréithe orgánaileipteacha agus céadfacha i dteagmháil le bia faoi ghnáthchoinníollacha nó faoi choinníollacha intuartha. Ní bhainimid úsáid as cruach dhosmálta saor le caighdeán níos ísle, a chaillfidh a gcontúirt creimeadh agus a neamhghníomhaíocht i mbia go luath, go háirithe tar éis dul i dteagmháil arís agus arís eile le réitigh ionsaitheach le linn an phróisis glantacháin agus sláintíochta.
- Táimid ag lorg soláthraithe na n-ábhar tógála agus suiteála agus comhpháirteanna as a ndéanaimid trealamh chun táirgeadh agus láimhseáil bia a tháirgeadh. Ní cheannaímid aon ábhar ó allmhaireoirí nach féidir leo a bhunús agus a saintréithe Eorpacha a chruthú.
- Tá na toisí uile, a dheonaímid le haghaidh coipeadh, aibithe agus stóráil deochanna, toisí uasmhéadú do na próisis choipeadh, don phróiseas aibithe, don charbónú, a dhéantar de réir na gcaighdeán teicneolaíochta maidir le táirgeadh deochanna. Ní chuirimid meastachán neamhcháilithe ar ghnéithe na gcoimeádán.
- Déantar na tancanna go léir a dhéantar in aicme cáilíochta na Ceanncheathrún, a tháirgeadh le gairbhe dromchla ráthaithe Ra <0.5 miocrón, coimeádáin a dhéantar in aicme cáilíochta SQ, a tháirgtear le gairbhe dromchla ráthaithe Ra <0.8 miocrón (ach amháin i bhfíor umair bheaga agus táthú foirceanta ar umair mheánmhéide), arb é an caighdeán Eorpach garbh forordaithe dromchlaí istigh na n-umar a thagann i dteagmháil le tuaslagáin alcaileach agus aigéadacha bia agus sláintíochta. Tá sé thar a bheith tábhachtach garbh ráthaithe dromchla istigh an tsoithigh chun umair ghlantacháin agus sláintíochta críochnúla a chinntiú. Is réamhriachtanas riachtanach é seo chun íonacht agus steiriúlacht trealaimh táirgeachta bia a bhaint amach. Ráthaímid an garbh seo do 100% den dromchla istigh do na tancanna freisin. Déanaimid tomhais arís agus arís eile ar dhromchlaí inmheánacha uile na n-umar leis an méadar gairne speisialta TR-130 le linn a bpróiseas monaraíochta go léir. Cuirimid snas ar dhromchla istigh an umair go dtí go sroichtear an garbh atá ag teastáil.
- Tá gach coimeádán deartha agus monaraithe ar dhóigh a chinntíonn go ndéantar gach dromchlach a thagann i dteagmháil le bia a ghlanadh agus a shláintiú go héasca. Dá bhrí sin, tá cithfholcadáin sláintíochta amháin ar a laghad, táscairí leibhéil líonta inbhainte agus indíolta agus coiligh samplála ar na soithí. Ní úsáidimid aon shaora saor, ar theip ar an déantúsóir dearadh sláintíochta agus glaineacht a dhéanamh orthu.
- Tá dromchla lasmuigh aontaithe ag tancanna i rang cáilíochta an Cheathrúir. Gach joints de na bileoga seachtracha (tiús ar a laghad 2 mm) táthaithe nó go hiomlán séalaithe. Tá sé seo tábhachtach cosc a chur ar an taise isteach sa chásáil dhúbailte, an t-ábhar inslithe a ghlanadh agus an cumas inslithe a chailleadh. Cinntíonn sé seo cáilíocht chomhsheasmhach agus cumas inslithe na n-umair. I gcás coimeádáin i gcáilíocht SQ, is iondúil go mbíonn na bileoga seachtracha in iúl agus tá tiús de 1 mm ar a laghad acu.
- Déanaimid gach árthach brú a leithlisiú le cúr PUR ardchaighdeáin. Cuirtear cúr inslithe polyuretan i bhfeidhm go gairmiúil ar spás inslithe na n-umar ionas go seachnófar foirmiú droichid theirmeacha, spás folamh neamhthuartha nó dífhoirmiú umair. Ní bhainimid úsáid as athchur beag feidhmeach saor chun na dabhcha a leithlisiú, mar shampla olann inslithe, coirníní polaistiréin, cúr a cuireadh i bhfeidhm go inexpertly.
- Tá trastomhas na dtiúisc, na comhlaí agus na píopaí i gceart i gcomhréir leis an bhfeidhm toirte agus an t-árthaigh - ní dhéanaimid gnéithe eilimintí faoi chumhacht a chur ar na tancaí.
- Is é an baránta do na dabhcha a tháirgtear sa Cheanncheathrú ná míonna 36, is é baránta na n-umar a tháirgtear i SQ ná míonna 24. Is é an baránta ar umair i gcáilíocht LQ míonna 12. Is iondúil go mbíonn saolré praiticiúil na n-umar roinnt mhaith blianta, agus de ghnáth is féidir eilimintí nua den chineál céanna nó déantúsóir eile a chur in ionad eilimintí le saolré níos ísle (comhlaí, rónta, etc.).
Ár moladh:
Má tá tú ag comparáid ár bpraghsanna le homaitheoirí, déan cinnte i gcónaí go ráthaíonn aon monaróir eile an caighdeán céanna a thugann ár gcuideachtaí.
Cén chaoi a n-oibríonn umar brú cylindrocónach?
Tancanna sorcóireacha-cónúla, umair cylindrocónacha, umair choipeadh sorcóireach, coiptheoirí sorcóireacha - Is iad seo na hainmneacha is coitianta, lena n-áirítear an t-aicme céanna de shoithí brú speisialta le bun cónúil (tonnadóir), atá deartha le haghaidh brewing beer aonair, an príomh-choipeadh beorach agus beoir aibithe (atá ag luí). Déantar an bealach beoir (táirge beoir idirmheánach) ón teach breosla a phumpáil isteach san umar cylindroconical díreach tar éis an phróisis brewing te. Anuas, sa umar cónúil sorcóireach, bíonn an príomhchoipthe ar siúl faoi ró-éadrom éadrom nó gan róbhrú. Ansin tá an giosta dríodairigh scartha ón umar agus leagann an breitheoir brú riachtanach san umar ag baint úsáide as an comhla brú inchoigeartaithe, agus cuireann beoir isteach sa chéim níos giorra nuair a bhíonn an beoir san umar maturates ag ró-ardú ardaithe agus ag teocht íseal. Is gnách go dtéann an dá chéim den phróiseas coipeadh san umar céanna, nó aistrítear an beoir chuig umar cónúil sorcóireach íonaithe eile tar éis an phriosú coipeadh.

Féach Níos mó faoi na bannaí brú ciorindreach-cónúla ...













